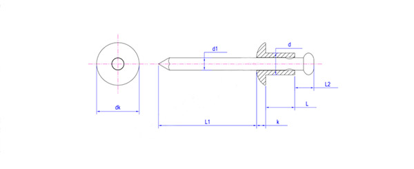
拉铆开口型扁圆头抽芯铆钉GB/T 12618-1990
规格尺寸:M4-M12
标准号:GB/T 12618-1990
材质 :铝
GB/T 12618-1990 开口型扁圆头抽芯铆钉
是一类单面铆接用的铆钉,但须使用专用工具——拉铆枪(手动、电动、气动)进行铆接。铆接时,铆钉钉芯由专用铆枪拉动,使铆体膨胀,起到铆接作用.这类铆钉特别适用于不便采用普通铆钉(须从两面进行铆接)的铆接场合,故广泛用于建筑、汽车、船舶、飞机、机器、电器、家具等产品上。其中以开口型扁圆头抽芯铆钉应用最广,沉头抽芯铆钉适用于表面需要平滑的铆接场合,封闭型抽芯铆钉适用于要求较高载荷和具有一定密封性能的铆接场合。




【螺栓】系列
【螺母】系列
【螺钉】系列
【螺柱】系列
【垫圈】系列




压铆紧固件
铆钉技术
螺纹嵌件
PT牙纹紧固件
CNC车床件