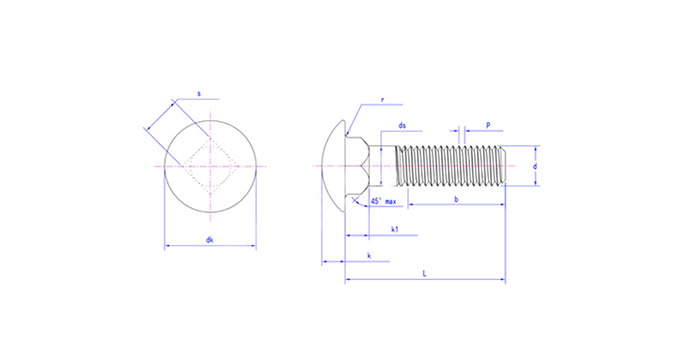
马车螺丝半圆头方颈螺栓货架螺丝镀彩锌马车螺栓ASME/ANSI B18.5-2-2008
规格尺寸:M8-M16
标准号:ASME/ANSI B18.5-2-2008
材质 :碳钢
头型:半贺头
ASME/ANSI B18.5-2-2008
马车螺栓按头部大小分为大半圆头马车螺栓,小半圆头马车螺栓。马车螺栓,由头部和螺杆(带有外螺纹的圆柱体)两部分组成的一类紧固件,需与螺母配合,用于紧固连接两个带有通孔的零件。
相关产品推荐




【螺栓】系列
【螺母】系列
【螺钉】系列
【螺柱】系列
【垫圈】系列




压铆紧固件
铆钉技术
螺纹嵌件
PT牙纹紧固件
CNC车床件






