镀彩锌活节螺栓 孔眼螺栓 标准号DIN444
规格尺寸:M6-M20
标准号:DIN 444
材质 :碳钢
头型:活节
DIN444
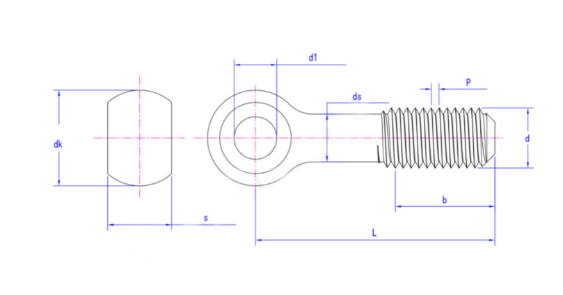
活节螺栓,又称孔眼螺栓,遵循GB/T798-88标准;国外又称鱼眼螺栓,遵循DIN444标准。精制孔眼螺栓,球面光洁,螺纹精度较高,螺纹规格为M6到M64。活节螺栓的表面处理有:热镀锌、渗镀、镀白、镀彩等防腐措施。
活节螺栓广泛应用于:低温高压阀门、石油钻采设备、流体工程、压力管道、油田设备等领域,经常在拆开连接的场合或工具上比如阀门行业,折叠式自行车、童车上使用,由于活节螺栓的使用方便、快捷,与配套螺母使用起连接紧固的作用,应用范围广很广。
活节螺栓广泛应用于:低温高压阀门、石油钻采设备、流体工程、压力管道、油田设备等领域,经常在拆开连接的场合或工具上比如阀门行业,折叠式自行车、童车上使用,由于活节螺栓的使用方便、快捷,与配套螺母使用起连接紧固的作用,应用范围广很广。
相关产品推荐




【螺栓】系列
【螺母】系列
【螺钉】系列
【螺柱】系列
【垫圈】系列




压铆紧固件
铆钉技术
螺纹嵌件
PT牙纹紧固件
CNC车床件






