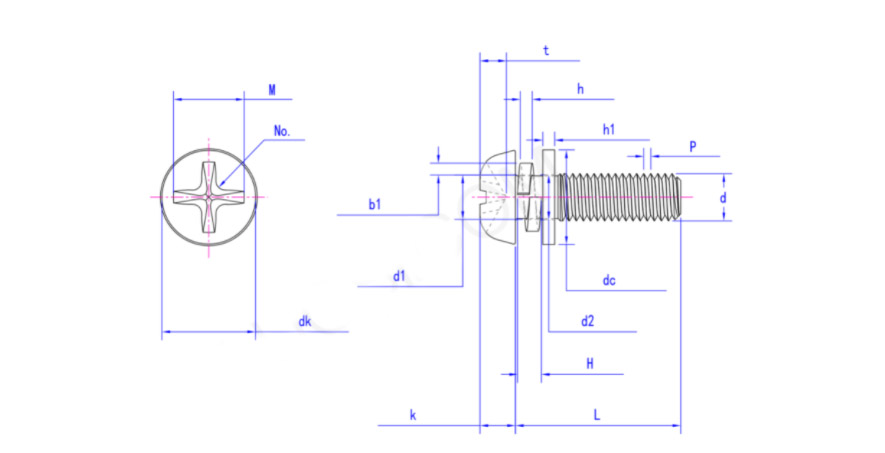
4.8级环保彩锌十字槽盘头螺钉平垫和弹垫组合
规格尺寸:M3-M10
标准号:GB/T 9074.4-1988
材质 :碳钢
头型:盘头
GB/T 9074.4-1988
垫圈分为平面垫圈和弹簧垫圈,螺钉上紧后由于与工件接触面积小,加装平面垫圈可以增大工件承压面积,上紧不至于导致工件损坏或滑丝。弹簧垫圈主要是增大螺钉与工件间的摩擦系数,防止螺钉松动。
规格尺寸:M3-M10
标准号:GB/T 9074.4-1988
材质 :碳钢
头型:盘头