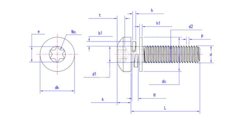
梅花槽盘头螺钉、平垫和弹垫组合GB/T 9074.1G-2018
规格尺寸:M3-M10
标准号:GB/T 9074.1G-2018
材质 :碳钢
头型:盘头
GB/T 9074.1G-2018
梅花槽螺钉属于一种不常用的螺钉种类,生产工艺和其它十字槽螺钉并没有太大区别,区别在于这个梅花槽和使用的安装工具不同。梅花槽盘头螺钉在按装上更加牢固,不易松动打滑。在工具与槽面接触时,能有效地减少螺丝头部和表面层的磨损,同时降低工具损耗,安装后的工件美观具有一定装饰性。




【螺栓】系列
【螺母】系列
【螺钉】系列
【螺柱】系列
【垫圈】系列




压铆紧固件
铆钉技术
螺纹嵌件
PT牙纹紧固件
CNC车床件