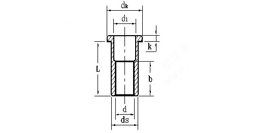
QIB/IND FMS 不锈钢平头拉铆螺母
规格尺寸:M3-M10
标准号:QIB/IND FMS
材质 :304不锈钢
头型:平头
QIB/IND FMS
铆螺母,又称拉铆螺母,拉帽,用于各类金属板材、管材等制造工业的紧固领域,广泛地使用在汽车、航空、铁道、制冷、电梯、开关、仪器、家具、装饰等机电和轻工产品的装配上。为解决金属薄板、薄管焊接螺母易熔,基材易焊接变形,攻内螺纹易滑牙等缺点而开发,它不需要攻内螺纹,不需要焊接螺母、铆接牢固效率高、使用方便。





【螺栓】系列
【螺母】系列
【螺钉】系列
【螺柱】系列
【垫圈】系列




压铆紧固件
铆钉技术
螺纹嵌件
PT牙纹紧固件
CNC车床件