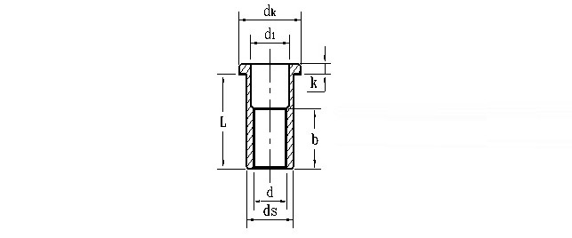
滚花拉铆螺母五彩锌锥头铆螺母
规格尺寸:M5-M10
标准号:QIB/IND FMKS
材质 :碳钢
头型:平头
QIB/IND FMKS
铆螺母,又称拉帽、拉铆螺母,用于各类管材、金属板材等制造工业的紧固领域,广泛地使用在电梯、制冷、仪器、开关、汽车、家具、铁道、装饰、航空等轻工产品和机电的装配上。为解决基材易焊接变形,攻内螺纹易滑牙,金属薄板、薄管焊接螺母易熔等缺点而开发,它不需要不需要焊接螺母,铆接牢固、攻内螺纹效率高、使用方便。




【螺栓】系列
【螺母】系列
【螺钉】系列
【螺柱】系列
【垫圈】系列




压铆紧固件
铆钉技术
螺纹嵌件
PT牙纹紧固件
CNC车床件